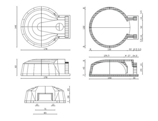
Il forno professionale a legna circolare VZ F7, con diametro interno di cm. 130, è adatto per le medie e grandi pizzerie.
Ha la capacità di contenere 10-11 pizze. Alla temperatura ottimale di 350 °C i tempi di cottura variano da 90 a 120 secondi e con l’ausilio di 3 pizzaioli può svolgere un volume orario di 120 pizze.
Il forno VZ F7 è realizzato in pigiata refrattaria ad alto tenore di allumina, che abbina alla refrattarietà una forte tenuta meccanica.
L’altezza della volta dal fondo e la sua forma parabolica permettono un omogeneo riscaldamento della base che, con il suo spessore, accumula calore sufficiente per superare senza cedimenti apici di cottura.
Il forno VZ F7 riduce della metà il consumo di legna rispetto ad altri forni di uguale misura.
DA ASSEMBLARE
Il forno viene fornito smontato con istruzioni
ELEMENTI DI COMPOSIZIONE (COMPRESI)
4 piastre di base; 4 voltini; 1 porta in acciaio; 1 termometro; 1 frontalino; graffe di fissaggio

ELEMENTI DI COMPOSIZIONE CON OPTIONAL PER UNA CORRETTA INSTALLAZIONE
(NON COMPRESI)
01 Base refrattaria del forno VZ F7
02 Voltini del forno VZ F7
03 Pannello di lana di roccia (n. 3 pezzi)
04 Arco bocca per forno VZ F7
05 Cavalletto in acciaio per forno VZ F7
06 Lana di roccia sp. 10 cm densità 100 (mq 6)
07 Premiscelato lecamix fast (n. 13 sacchi)
08 Frontalino inox di finitura per forno VZ F7
09 Lamiera verniciata per forno VZ F7
10 Fondo in acciaio per forno VZ F7
11 Raccordo canna fumaria di sezione circolare


















